Home > 제품소개 > Air Circuit Breaker(기중차단기)
Air Circuit Breaker(기중차단기)
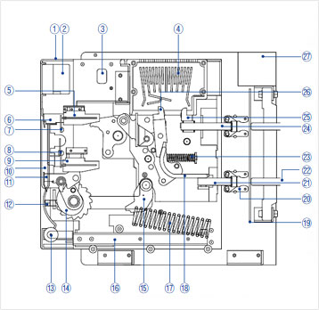
외관명칭
- ① 전면덮개 (Front cover)
- ② 아크소호실 (Arc extinguish chamber)
- ③ 제어회로 단자대 (Control circuit terminal)
- ④ Digital보호 계전기 (Electronic trip relay)
- ⑤ 개폐카운터 (Counter)
- ⑥ 투입버튼 (Closing button)
- ⑦ 수동 축세 손잡이 (Charging handle)
- ⑧ 제품명판 (Name plate)
- ⑨ 주의표시 (Caution mark)
- ⑩ 차단기위치표시기 (position indicator)
- ⑪ 인/입출레버 홀 (Pushing/Drawing lever hole)
- ⑫ 축세 표시기 (Charging indicator)
- ⑬ 인출레일 (Extension rail)
- ⑭ 트립버튼 (Trip button)
- ⑮ ON/OFF 표시기 (ON/OFF indicator)
- (16) 인출측면 (Draw-out profile)
- (17) 본체측면 (Main body profile)
- (18) 인/입출핸들 (Handle)
내부구조
- ① 전면덮개 (Front cover)
- ② Digital 보호계전기(Electronic trip relay)
- ③ 보조스위치(Auxiliary switch)
- ④ 아크소호실(Arc extinguish chamber)
- ⑤ 투입코일 (Closing coil)
- ⑥ ON/OFF 표시기(ON/OFF indicator)
- ⑦ 투입 기구부(Closing mechanism)
- ⑧ 트립 기구부 (Trip mechanism)
- ⑨ 트립코일 (Trip coil)
- ⑩ 수동 축세 손잡이(Charging handle)
- ⑪ 축세 표시기 (Charging indicator)
- ⑫ 인출 기구부 (Draw-out mechanism)
- ⑬ 차단기 위치표시기(Position indicator)
- ⑭ 기어뭉치 (Gear block)
- ⑮ 인출용 캠 (Draw-out cam)
- (16) 인출레일 (Extension rail)
- (17) 투입스프링 (Closing spring)
- (18) 가동션트 (Movable shunt)
- (19) 안전셔터 (Safety shutter)
- (20) 차단기연결 도체
(Circuit breaker connection conductor)
- (21) 부하측 도체 (Load side conductor)
- (22) 인출 도체 (Draw-out conductor)
- (23) 차단스프링 (Breaking spring)
- (24) 전원측 도체(Power supply side conductor)
- (25) 고정접점 (Fixed contact)
- (26) 가동접점 (Traveling contact)
- (27) 인출기 몸체 (Draw-out main body)
정격사양
- ISO 9001, ISO14001, 기술특허출원
- 제품의 소형 경량
- 기존제품대비 85%까지 제품의 크기 및 무게를 소형, 경량화 하여 일체형 배전반 규격에 적합하도록 효율화하였습니다.
- 외형크기의 단순화
- 기존4종의 외형크기를 3종으로 단순화하였습니다.
- 630~1250A / 1600~2000A / 2500A / 3200~4000A → 630~1600A / 2000~2500A / 3200~4000A
- 안정성과 편리성
- 제어회로 단자대를 상단 측면에 부착하였습니다. 보수, 점검이 용이하도록 기구부 및 부속장치를 Module화 하였습니다.
- 인출이 용이하도록 인출레일을 획기적으로 개선하였습니다.
- Arc 공간을 최소화 하였습니다. Module형 카바를 적용하여 미관이 한층 수려해졌습니다.
- 고기능 디지털 보호계전기
- 디지털 보호계전기의 Trip status의 LED에 의한 트립상태의 식별이 용이 해졌습니다.
- -Option품인 OCR tester구매시 가능
- 계측장비에 사용되는 고정밀도의 전류검출회로를 적용하여 신뢰성을 더욱 향상시켰습니다.
- 다양한 부속장치 적용
- 다양한 부속장치를 적용하여 보다 나은 품질을 실현하였습니다.
- 선투입, 후개방형 채택
- 주접점 투입, 개방시 R, S, T상 보다 N상의 접점이 먼저 닿고 늦게 떨어짐으로써 전위치에 의한 (특히 단상부하 사용시) 사고 발생 위험을 방지 하였습니다.
- ACB 형식 설정 방식(예)

S : 표준형의 차단용량(type breaking capacity) / H : 고차단형의 차단용량(High type breakung capacity)
| 정격 전압 Rated operating voltage(V) |
660 |
660 |
660 |
660 |
660 |
660 |
660 |
660 |
660 |
| 프레임 전류 Frame current(AF) |
630 |
800 |
1000 |
1250 |
1600 |
2000 |
2500 |
3200 |
4000 |
과전류 트립장치의 1차 전류 Setting
Base Current (A) |
630 |
630 |
800 |
1000 |
1250 |
1600 |
2000 |
2500 |
3200 |
4000 |
| 630 |
504 |
640 |
800 |
1000 |
1280 |
1600 |
2000 |
2560 |
3200 |
| 504 |
378 |
480 |
600 |
750 |
960 |
1200 |
1500 |
1920 |
2400 |
| 차단용량 (Breaking capacity) |
S |
H |
S |
H |
S |
H |
S |
H |
S |
H |
S |
H |
S |
H |
S |
H |
S |
H |
정격 차단용량(kA) Rated service short circuit (lcs)
/
정격 투입용량(kA) Rated short circuit making capacity (Icm) |
IEC
947-2 |
220 / 240V |
60 |
75 |
60 |
75 |
65 |
75 |
60 |
75 |
60 |
75 |
60 |
75 |
60 |
75 |
60 |
75 |
85 |
100 |
| 380 / 415V |
55 |
70 |
55 |
70 |
55 |
70 |
55 |
70 |
55 |
70 |
55 |
70 |
55 |
70 |
55 |
70 |
75 |
90 |
| 440 / 500V |
50 |
65 |
50 |
65 |
50 |
65 |
50 |
65 |
50 |
65 |
50 |
65 |
50 |
65 |
50 |
65 |
65 |
85 |
| 600 / 660V |
42 |
55 |
42 |
55 |
42 |
55 |
42 |
55 |
42 |
55 |
42 |
55 |
42 |
55 |
42 |
55 |
55 |
75 |
VDE
0660 |
480V |
50 |
65 |
50 |
65 |
50 |
65 |
50 |
65 |
50 |
65 |
50 |
65 |
50 |
65 |
50 |
65 |
65 |
85 |
| 600V |
42 |
50 |
42 |
50 |
42 |
50 |
42 |
50 |
42 |
50 |
42 |
50 |
42 |
50 |
42 |
50 |
50 |
65 |
BS
4752 |
500V 이하 |
105 |
143 |
105 |
143 |
105 |
143 |
105 |
143 |
105 |
143 |
105 |
143 |
105 |
143 |
105 |
143 |
143 |
187 |
| 690V |
88.2 |
105 |
88.2 |
105 |
88.2 |
105 |
88.2 |
105 |
88.2 |
105 |
88.2 |
105 |
88.2 |
105 |
88.2 |
105 |
105 |
143 |
단시간 전류(kA)
short time withstand
capacity
AC 500V 이하 |
peak치 (kA, peak) |
105 |
143 |
105 |
143 |
105 |
143 |
105 |
143 |
105 |
143 |
105 |
143 |
105 |
143 |
105` |
143 |
143 |
187 |
차단 형식 |
1 Sec |
50 |
65 |
50 |
65 |
50 |
65 |
50 |
65 |
50 |
65 |
50 |
65 |
50 |
65 |
65 |
85 |
85 |
100 |
| 3 Sec |
30 |
30 |
30 |
30 |
50 |
50 |
50 |
65 |
85 |
| 동작시간 Operation time |
전차단 시간 Total breaking time |
45 ms 이하 |
50 ms 이하 |
| 투입시간 Rated closing time |
65 ms 이하 |
80 ms 이하 |
| 극수 Number of poles |
3P/4P |
3P/4P |
3P/4P |
3P/4P |
3P/4P |
3P/4P |
3P/4P |
3P/4P |
3P/4P |
수 명 (개폐회수) endurance |
기계적 Mechanical |
무보수시 Without maintenance |
10000 |
10000 |
10000 |
10000 |
10000 |
10000 |
10000 |
10000 |
10000 |
| 보수시 With maintenance |
20000 |
20000 |
20000 |
20000 |
20000 |
20000 |
20000 |
20000 |
20000 |
전기적
electrical |
무보수시 Without maintenance |
2500 |
2500 |
2500 |
2500 |
2000 |
1000 |
1000 |
1000 |
600 |
| 보수시 With maintenance |
5000 |
5000 |
5000 |
5000 |
5000 |
3500 |
3500 |
3500 |
1500 |
| 전동기 조작 |
무보수시 Without maintenance |
5000 |
5000 |
5000 |
5000 |
5000 |
3500 |
3500 |
3500 |
1500 |
| 중 량 (kg) weight |
고정형 Fixed |
52 |
64 |
52 |
64 |
55 |
68 |
55 |
68 |
58 |
70 |
64 |
72 |
71 |
78 |
83 |
94 |
93 |
103 |
| 인출형 Draw-out |
80 |
87 |
80 |
87 |
84 |
90 |
84 |
90 |
85 |
96 |
97 |
104 |
106 |
113 |
115 |
128 |
132 |
148 |
- 표준사양
- 인출기능(Draw-out type), 투입코일(Closing coil), 트립코일(Trip coil), 개폐카운터(Counter), OCR, 보조스위치(Aux-switch)(2a2b)
- 조작전압선택(Operating voltage), OCR 트립외부출력(OCR trip signal)
- 선택사양
- OCGR, CTD, 셔터장치(Shutter device), OCR 시험기(OCR Tester), 경보스위치(OCR alarm switch),인터록장치(Key switch),
- 위치스위치(Locationswitch), 보조스위치(AUX 스위치 3a3b, 4a4b)
특성
- 디지털 보호계전기의 차단조건을 설정함에 있어서 장한시 시간과 전류, 단한시 시간과 전류 , 순시전류, 지락시간과 전류 등 종류를 다양하게 하여 보다 폭넓고 세밀한 조건을 충족시켜 줍니다.
- 투입에 필요한 에너지를 스프링에 저장하는 방식이므로 차단 및 투입동작이 신속하고 확실합니다.
- AC와 DC등 조작전류를 환경에 맞도록 선택할 수 있으므로 다양한 선택이 가능합니다.(주문시 선택)
- 전부품을 표준화, Module화 하여 보수 및 점검이 용이하며, 엄격한 검사와 표준화된 생산으로 내구성이 매우 뛰어납니다.
- 과부하 차단 시 차단의 원인별로 확인을 할 수가 있으므로 신뢰성을 보다 향상 시켰습니다.
설치방식
- 고정형
- 배전반과 직접 연결하는 방식으로 경제적인 설치방식입니다.
- 인출형
- 차단기 본체와 인출(Draw out frame)부 두 부분으로 되어 있어서 배전반과 인출부가 직접 연결되고 이 인출부에 차단기 본체가 연결되어 회로의 변형 없이 차단기 본체만을 배전반과 분리해낼 수 있는 방식입니다.
- 이 방식은 본체의 이상유무 점검이 용이하고 부품교환 등 보수가 용이하고 차단기 본체의 교환도 간단히 실행할 수 있습니다.
조작방식
- 수동 축세방식
- •축세용 손잡이를 위에서 아래로 약 7회 정도 반복하여 동작시킴으로 투입에 필요한 에너지를 스프링에 저장시키는 방식입니다.
- •충전표시기에 "CHARGED"라고 표시가 될 때까지 반복하면 됩니다.
- •스프링을 축세(Charge)한 후 투입버튼(closing button)을 누르면 차단기는 투입되며, 투입후 트립버튼(Trip button)을 누르면
트립됩니다.
- ※ 주 의 : 차단기가 투입되어 있는 상태에서는 안전을 위하여 수동 축세(charge)를 해서는 안됨
- 전동저장방식
- •투입에 필요한 에너지를 전동모터를 이용하여 저장하는 방식으로, 저장용 모터는 조작회로에 의하여 구동된다.
- •일단 차단이 되면 모터가 자동으로 투입에 필요한 에너지를 저장하기 위하여 동작하게 된다.
- •저장용 모터는 50회 정도의 연속동작이 가능하며 그 이상은 모터의 열 발생을 고려하여 최소 10분이상의 냉각시간이 필요합니다.
- 투입코일
- •이 코일은 외부의 신호나 차단기 전면에 부착된 버튼에 의해서 투입신호가 오면 작동하는 솔레노이드 코일입니다.
- •차단기를 원방에서 투입하는 제어장치입니다.
- → 전기적 pumping방지회로가 내장되어 있습니다.
- 차단코일
- •이 코일은 디지털 보호 계전기로부터 신호를 받거나 외부에서 신호를 받아 트립하는 솔레노이드 코일 입니다.
- → coil의 소손을 방지하기 위하여 보조접점을 사용하고 있습니다.